
1、固定法兰式防爆热电阻选型一览表
| 产品型号 | 分 度 号 | 温度范围℃ | 热响应时间 | 防爆等ji | 规 格(mm) | |
| d | L x l | |||||
| WZP-440
WZP2-440 |
Pt100 | -200—500 | <90S | d||BT4
d||CT5 d||CT6 ia||CT6 |
Ø16 | 300x150
350x200 400x250 450x300 500x350 550x400 650x500 900x750 1150x1000 1650x1500 2150x2000 |
| WZP-440G
WZP2-440G |
<24S | |||||
| WZP-441
WZP2-441 |
<45S | Ø12 | ||||
| WZP-441G
WZP2-441G |
<24S | |||||
| WZC-440
WZC-440G |
Cu50
Cu100
|
-50—100 | <120S | Ø16 | ||
| <90S | ||||||
| WZC-441
WZC-441G |
<120S | Ø12 | ||||
| <90S | ||||||
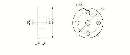
2、法兰尺寸

1)热电阻Aji按协议订货;
2)保护管为1Cr18Ni9Ti,其余材质根据协议订货;
3、选型须知